Hút chân không khi lắp đặt điều hòa Casper là một công đoạn tuyệt đối không được bỏ qua, bởi nó ảnh hưởng trực tiếp đến hiệu quả làm việc của máy điều hòa. Bài viết này sẽ giải thích cặn kẽ cho bạn biết hút chân không là gì? tầm quan trong của việc hút chân không khi lắp đặt điều hòa nói chung.
Hút chân không khi lắp đặt điều hòa là gì?
Hút chân không trong kỹ thuật lắp đặt điều hòa Casper nói riêng, điều hòa nói chung là sử dụng máy bơm (máy hút chân không) hút không khí trong hệ thống điều hòa ra ngoài. Trong không khí luôn tồn tại hơi ẩm, việc hút không khi trong hệ thống điều hòa khi lắp đặt chính là cách loại bỏ hơi ẩm ra khỏi hệ thống.
Vì sao cần phải hút chân không khi lắp đặt điều hòa?

Như đã biết ở trên, hút chân không khi lắp điều hòa chính là loại bỏ không khí cũng như hơi ẩm có trong hệ thống ra ngoài, có 2 lý do mà bạn nhất định phải hút chân không cho điều hòa như sau:
Lý do 1: Hơi ẩm có nhiều trong hệ thống điều hòa có thể gây đóng đá, làm tắc vị trí tiết lưu (là bộ phận có tiết diện đường ống rất nhỏ, và có nhiệt độ âm), từ đó khiến máy điều hòa hoàn toàn mất khả năng làm lạnh/sưởi ấm. Trường hợp lẫn ít hơi ẩm trong hệ thống cũng sẽ gây tắc nghẽn một phần, làm cản trở việc luân chuyển của gas lạnh, từ đó sẽ khiến máy điều hòa giảm hiệu suất làm việc.
Lý do 2: Máy điều hòa khi lắp đặt xong có thể bị hở do kết nối các đầu rắc co, mối hàn nối, ống đồng bị lỗi,…Khi hút chân không xong, bạn không nên vội bật máy điều hòa ngay, bạn cần tắt máy hút chân không, khóa đồng hồ lại, và chờ trong khoảng 15 phút. Sau 15 phút bạn kiểm tra mà chỉ số kim đồng hồ thay đổi (áp suất tăng lên) tức là máy điều hòa vừa lắp xong vẫn còn đang bị hở ở đâu đó, cần phải khắc phục chỗ hở ngay. Sau khi hút chân không xong, trong máy điều hòa sẽ có áp suất thấp (âm) hơn không khi bên ngoài, nếu hệ thống còn hở sẽ hút không khi bên ngoài vào bên trong máy điều hòa làm áp suất tăng.
>>> Đọc thêm Lắp đặt điều hòa Casper như thế nào là đúng kỹ thuật
Hướng dẫn hút chân không cho điều hòa sau lắp đặt

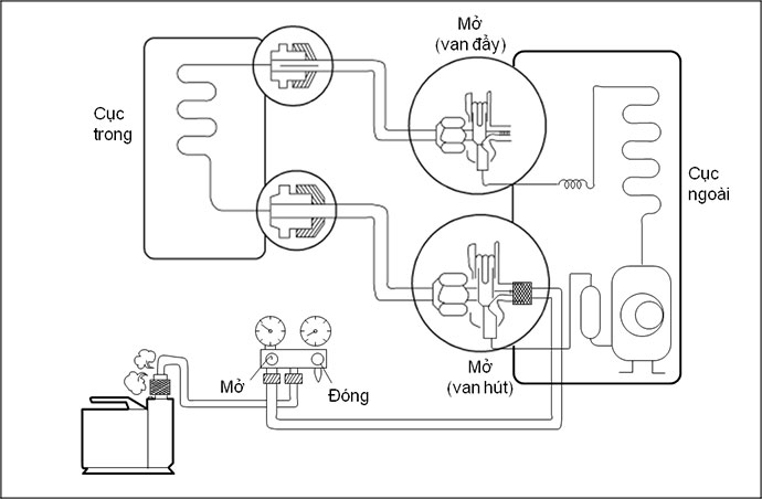
Bước 1: Nối các dây của đồng hồ nạp với máy và bơm hút như hình vẽ.
Bước 2: Chạy bơm hút chân không. Hút chân không cho đến khi độ chân không đạt -760 mmHg hoặc thấp hơn. Với các trường hợp rò hết ga lâu ngày thời gian hút có thể cần tới hàng giờ.
Bước 3: Đóng van xanh (Lo side) của đồng hồ, tắt bơm hút chân không. Theo dõi kim đồng hồ trong khoảng thời gian khoảng 15 phút hoặc lâu hơn và chắc chắn rằng chỉ số của kim đồng hồ không thay đổi (áp suất không tăng lên).
Bước 4: Tháo dây đồng hồ khỏi bơm hút, bắt đầu cho máy điều hòa hoạt động.
>>> Xem tham khảo điều hòa Casper tại shop Casper Việt Nam
